logo

Engineering Center of Micro- and Nanoelectronics Devices

Инжиниронговый центр
изделий микро- и наноэлектроники СевГУ

СВЧ микросхема диаграммообразующих модулей АФАР

СВЧ микросхема на основе SiGe БиКМОП технологии предназначена для управления амплитудой и фазой сигнала (англ. Core Chip) диаграммообразующих модулей АФАР

Государственное задание №8.3962.2017/ПЧ «Разработка интегральной схемы микроволнового диапазона частот для диаграммообразующих модулей АФАР на основе кремниевой технологии»

Области применения:

  • телекоммуникационные системы;
  • системы радиолокации;
  • системы радионавигации;
  • системы радиоэлектронной борьбы
ru
ru

Структурная схема


ru ru

Топология ИС

Ключевые особенности СВЧ МИС:

  • Диапазон частот 4 – 6 ГГц;
  • «Common leg» структура (УФВ, УАТТ, ПРК общие для трактов приёма и передачи);
  • Применение схемы температурной коррекции (ЦБУ, ДТ, УФВ-2, УАТТ-2);
  • Активные топологии ФБ управляемых ФВ и АТТ (диапазоны регулировки: 360° с шагом 5,625° для УФВ-1; 31 дБ с шагом 1 дБ для УАТТ-1);
  • Линейные размеры топологии — 2,5х2,4 мм (площадь кристалла — 6 мм2).

МИС широкополосного квадратурного демодулятора Функциональный аналог — ADL5380 (Analog Devices, Inc.)

ru

Структурная схема

ru

Отладочная плата

Основные параметры

Параметр

Величина, единицы измерения

Диапазон рабочих частот

1,8—6 ГГц

Диапазон рабочих температур

–60—85°С

Полоса модулирующего сигнала

700 МГц

Точка компрессии 1 дБ по выходу

4 дБм

Фазовая ошибка

< 2,5°

Амплитудный разбаланс

< 1 дБ

Коэффициент шума

< 14 дБ

Коэффициент преобразования по напряжению

> 0,5 дБ

КСВН (в тракте 50 Ом)

< 1,8

Ток потребления

155 мА>

МИС широкополосного квадратурного модулятораФункциональный аналог — ADL5375 (Analog Devices, Inc.)

ru

Структурная схема

ru

Отладочная плата

Основные параметры

Параметр

Величина, единицы измерения

Диапазон рабочих частот

1,8—6 ГГц

Диапазон рабочих температур

–60—85°С

Полоса модулирующего сигнала

700 МГц

Точка компрессии 1 дБ по выходу

2 дБм

Уровень собственных шумов

< –160 дБм/Гц

Уровень подавления паразитных составляющих

> 30 дБ

Ток потребления

155 мA

Коэффициент преобразования по напряжению

> 0,5 дБ

КСВН (в тракте 50 Ом)

< 1,8

Мощность опорного генератора

–5—0 дБм

IP-ядро процессора цифровой обработки аудиосигналов NPCA110x

ru

Основные характеристики:

  • гарвардская архитектура с 6-этаптым конвейером;
  • 24-битное ядро с фиксированной точкой;
  • 56-битный аккумулятор и многорегистровая схема циклического сдвига;
  • четыре 24-битных регистра АЛУ для операндов;
  • два 56-битных аккумулятора для сохранения результата;
  • восемь адресных регистров;
  • котроллер прерываний и аппаратную реализацию циклов;
  • различные периферийные устройства;
  • I²C, I²S интерфейсы.

Области применения:

  • потребительская электроника
  • профессиональная обработка звука

Место внедрения: Waves Audio Ltd, Израиль, Nuvoton, Тайвань.

ru

Топология микросхемы широкополосного квадратурного демодулятора

ru

Топология микросхемы широкополосного квадратурного модулятора

Широкополосные квадратурные демодулятор и модулятор с автоматической коррекцией фазовой ошибки разработаны на отечественной КМОП-технологии HCMOS8D с проектной нормой 180 нм и предназначены для работы в диапазоне частот от 70 МГц до 1 ГГц.

Интегральная микросхема перестраиваемого активного фильтра нижних частот 5 порядка

ru

Перестраиваемый активный фильтр нижних частот 5 порядка

Микросхема обладает следующими параметрами:

  • напряжение питания 3,3 В;
  • ток потребления не более 7,5 мА;
  • частота среза по уровню –3 дБ: 5,6 — 56 МГц;
  • шаг перестройки, не более 1 МГц;
  • неравномерность АЧХ, не более 2 дБ;
  • коэффициент передачи, не менее –3 дБ;
  • однодецибельная компрессия P1dBin, не менее 250 мВ.

Интегральная микросхема активного фильтра Баттерворта нижних частот 5 порядка, построенного по схеме «leap-frog» с возможностью перестройки частоты среза в диапазоне 5,6 — 56 МГц. Перестройка частоты среза реализована как на переключаемых конденсаторах, так и на изменении значения проводимости в транскондуктивных усилителях. Фильтр нижних частот выполнен на отечественной КМОП-технологии HCMOS10LP с проектной нормой 90 нм. Фильтр устанавливается на входе аналого-цифрового преобразователя для повышения качества оцифровки сигнала.

Интегральная схема приемника гидроакустических сигналов предназначена для применения в составе гидроакустических модемов, для обеспечения взаимодействия и цифровой навигации разнородных морских роботизированных комплексов. Микросхема изготавливается по отечественной КМОП технологии HCMOS8D с проектной нормой 180 нм (АО «Микрон»).

ru

Cтруктурная схема микросхемы

Основные характеристики микросхемы

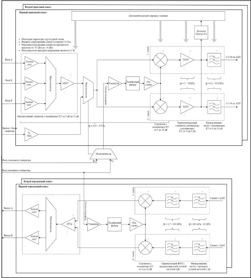
Текущий проект: Интегральная микросхема «Приемо-передающий тракт SDR трансивера»

Интегральная схема предназначена для применения в составе цифровых систем радиосвязи, для обеспечения взаимодействия по радиоканалу разнородных вычислительных комплексов. Микросхема изготавливается по КМОП технологии с проектной нормой 28 нм rкомпании «SMIC» (Китай).

ru
ru ru

Основные характеристики микросхемы

  • диапазон частот - 60 МГц – 6 ГГц;
  • коэффициент усиления - 60 дБ;
  • подавление зеркального канала - 75 дБ;
  • перестраиваемая полоса пропускания 0,2 – 100 МГц;
  • коэффициент шума на частоте 5,5 ГГц – 5 дБ.

Проект выполняется по заказу ООО «ИТГЛОБАЛКОМ Лабс»

Малогабаритный ЛЧМ-радар миллиметрового диапазона

ru

Малогабаритный ЛЧМ-радар миллиметрового диапазона предназначен для обнаружения объектов и измерения их дальности, относительной скорости и угловых координат. Радар выполнен на основе микросхемы AWR1843 (AWR6843), которая установлена на малогабаритной многослойной печатной плате. На верхнем высокочастотном слое платы расположены печатные антенные излучатели. Радар включает 3 передающих и 4 приемных тракта, позволяющих работать в режиме MIMO. Результаты обнаружения объектов и измерения их характеристик могут передаваться во внешнюю систему при помощи интерфейсов UART, CAN или SPI.

Основные характеристики

  • диапазон рабочих частот: 77 - 81 ГГц или 60 - 64 ГГц в зависимости от исполнения;
  • габаритные размеры: 5x5x1,5 см;
  • вес: ~30 грамм;
  • потребляемая мощность: 0,5 - 1,5 Вт, в зависимости от применения;
  • диапазон рабочих температур: от -40 до 125 °С;
  • диапазон углов сканирования: 140 градусов;
  • дальность обнаружения объектов: 0,2-100 м, в зависимости от отражающей способности цели (ЭПР).

Области применения

  • контроль дорожной обстановки вокруг автомобиля в ближней, средней или дальней зоне (адаптивный круиз-контроль, радиовидение, системы помощи при вождении и парковке, автоматическое открывание/закрывание багажника);
  • внутрисалонные автомобильные измерения: занятость мест, измерение жизненных показателей (дыхания и сердцебиения) водителя и пассажиров;
  • системы безопасности (контроль периметра и несанкционированного проникновения);
  • слежение за перемещающимися объектами и их подсчет;
  • высокоточные промышленные датчики расстояния, уровня, смещения и скорости;
  • датчики для беспилотных аппаратов и роботов.

Бесконтактный датчик частоты дыхания и сердцебиения

Датчик позволяет бесконтактным способом измерять одни из главных показателей жизненно важных функций человека — частоту дыхания (ЧД) и частоту сердцебиения (ЧС)

ru

Экспериментальный стенд с имитатором дыхания младенца

ru

Геометрические размеры датчика в корпусе

ru

Внешний вид датчика в корпусе

Основные характеристики

  • диапазон измеряемых частот дыхания: 8-50 вдохов/мин;
  • диапазон измеряемых частот сердцебиения: 50-200 уд/мин;
  • погрешность измерения частоты дыхания: < 1,1 вдохов/мин;
  • погрешность измерения частоты сердцебиения: < 2,5 уд/мин;
  • среднее время измерения частоты дыхания: 45 сек;
  • среднее время измерения частоты сердцебиения: 70 сек
  • минимальное угловое разнесение нескольких объектов при одновременном измерении: 30 градусов;
  • дальность действия: 0,5-2,5 м;
  • диапазон рабочих частот 60-64 ГГц;
  • уровень излучаемой мощности < 10 мВт;
  • напряжение источника питания: 9-18 В;
  • потребляемая мощность: 1,5 Вт;
  • габаритные размеры: 65x62x23 мм

Проект победителя конкурса «УМНИК – Проектная команда. Электроника» выполнен при поддержке Фонда содействия развитию малых форм предприятий в научно-технической сфере

Датчики с беспроводной передачей данных

ru

Плата СБПД, 3D-модель (экран условно показан полупрозрачным)

ru

Плата ДПД, 3D-модель

ru

Блок ДПД. 3D-модель

Беспроводной датчик предназначен для передачи данных от аналоговых чувствительных элементов разных типов по Wi-Fi каналу связи в соответствии со стандартом 802.15.4e/g. Универсальный субмодуль беспроводной передачи данных, содержит в своем составе микроконтроллер и Wi-Fi приемопередатчик на основе Wi-Fi модуля ESP32-WROOM-32. Субмодуль предназначен для сбора и предварительной цифровой обработки поступающих данных, а также для передачи данных по сети Wi-Fi на блок контроля воздушного судна. Плата ДПД предназначена для преобразования сигналов от аналоговых чувствительных элементов разных типов. Соединение плат СБПД и ДПД выполнено мезонинным способом. Особенностью разработанного корпуса является возможность выполнения большей части операций по его изготовлению на оборудовании СевГУ.

Связные модули Wi-Fi и Bluetooth

ru
ru
ru
ru
ru

Универсальный модуль Bluetooth 5.0 (ПР4502) Напряжение питания 1.8 – 3,6 В Размеры модуля: 15х20х3 мм Плата 4 слоя, толщина 1 мм. По краям платы расположены металлизированные полуотверстия. Все компоненты модуля закрыты сверху металлическим экраном (крышкой, на 3D-моделях показана полупрозрачной).

Универсальный модуль Wi-Fi + Bluetooth 4.0 (ПР32) Напряжение питания 3,0 – 3,6 В Размеры модуля: 14,5х23х3 мм. Плата 4 слоя, толщина 1 мм. По краям платы расположены металлизированные полуотверстия. Все компоненты модуля закрыты сверху металлическим экраном.

Заказчик АО «НИИМА «ПРОГРЕСС» (г. Москва)

Терминальное устройство приема-передачи данных мониторинга

ru ru

Назначение:

Терминальное устройство приема-передачи данных мониторинга предназначено для автономного сбора цифровых данных с метеорологической станции «Сокол-М» по интерфейсу RS-485 и последующей передачи информации по беспроводному каналу GPRS на интернет-сервер, где полученная информация помещается для хранения в базе данных.

Краткое описание:

Терминальное устройство имеет автономное питание от расположенной на корпусе солнечной панели, а также встроенного аккумулятора, что обеспечивает длительную (не менее одного года) автономную работу устройства без внешнего питания и технического обслуживания. Для подзарядки аккумулятора в зимний период устройство снабжено нагревателем, автоматически включающимся при температуре ниже нуля и наличии достаточного уровня солнечного освещения. На случай перегрева аккумулятора в летний период, устройство снабжено пороговым устройством, запрещающим заряд аккумулятора в случае, если его температура превысит 50 °C.

Основные технические характеристики:

  • время работы от полностью заряженного аккумулятора (без подзарядки) не менее 2 суток;
  • автоматический метод подзарядки встроенного аккумулятора от встроенной солнечной панели;
  • передача данных по каналу GSM/GPRS на заданный адрес интернет-сервера;
  • степень защиты IP43;
  • температура окружающей среды от -20 °C до +50°C ;
  • габаритные размеры 277х185х120 мм.
  • масса нетто 1,05 кг.

Область применения:

Экологический мониторинг с развертыванием сети сбора данных от метеорологических станций с возможностью хранения и обработки информации на доверенном сервере

Система дистанционного контроля параметров технических объектов «ОКО-01»

«ОКО-01» – аппаратно-программная система для дистанционного контроля технических параметров подвижных и стационарных удалённых объектов.

Конкурентные преимущества:

  • Максимально возможное использование отечественной элементной базы;
  • Возможность подключения терминальных блоков к технике, не имеющей цифровых шин обмена данными;
  • Модульная структура позволяет модифицировать систему в соответствии с ТЗ Заказчика.
ru

ru

ru

Прибор встроенного контроля комплексных параметров микроволновых трактов

Прибор встроенного контроля предназначен для осуществления автоматического измерения модуля и аргумента комплексного коэффициента отражения СВЧ устройств (антенн, СВЧ переключателей, циркуляторов и пр.), а также уровня мощности в микроволновом тракте систем радиосвязи и радиолокации.

ru

Внешний вид прототипа датчика полных сопротивлений прибора встроенного контроля ККО

ru

Внешний вид измерительного модуля прибора встроенного контроля ККО

Области применения: контроль микроволновых траков в системах радиолокации, мобильных системах связи; системах космического базирования; системах контроля параметров окружающей среды и др.

Аппаратно-программный комплекс для автоматизации поверки частотомеров серии 5315Х

ru
ru

Назначение:

  • автоматизация поверки измерительных приборов;
  • возможность подключения приборов по интерфейсам Ethernet, COM, GPIB;
  • автоматическое формирование протокола измерений установленной формы в формате PDF.

Система радиочастотной идентификации объектов складского учета (RFID)

ru

Назначение:

  • автоматизация складского учёта;
  • контроль перемещения объектов внутри зданий

Заказчик 3DTAC Inc. и LEDS Inc., Канада

ru
ru

Система промышленного зрения с аппаратной реализацией алгоритма повышения различимости

В основе работы системы лежит метод улучшения различимости информативных фрагментов на цифровых изображениях, заключающийся в преобразовании динамических диапазонов больших и малых значений яркости.

ru

Аппаратная реализация на основе ПЛИС Altera Cyclone V.

ru

Исходное изображение

ru

Результат обработки системой

Система обнаружения и подсчёта людей в видеопотоке

ru

Аппаратная реализация на основе ПЛИС Altera Cyclone V.

ru

Программа позволяет:

  • Подключиться к предоставленным видеопотокам
  • Осуществлять распознавание требуемых объектов
  • Установить требуемую область распознавания
  • Отправлять информацию о результатах распознавания на сервер по JSON

Поиск объектов осуществляется на основе нейронной сети MobileNet SSD. Программа имеет возможность устанавливать произвольную область сканирования для повышения точности срабатывания и исключения детекции лишних объектов. Программа написана на языке Python и рассчитана на многопоточную обработку данных (multiprocessing).

Программный комплекс «Регистратор конструкторских документов»

Программный комплекс состоит из серверной части (базы данных и набора хранимых процедур), написанной на языке MySQL, клиентской части главного администратора и клиентской части сотрудника подразделения.

ru

Главное окно «Регистратора документов»

ru

«Карточка документа» программного комплекса «Регистратор…»

©2015-2026 Инжиниринговый центр изделий микро- и наноэлектроники СевГУ. Все права защищены